当前位置:首页 > 新闻资讯 > FPGA之家动态 >

基于FPGA的相检宽带测频系统的设计

时间:2026-03-19      来源:FPGA_UCY 关于我们 0

在电子测量技术中,频率测量是最基本的测量之一。常用的测频法和测周期法在实际应用中具有较大的局限性,并且对被测信号的计数存在±1个字的误差。而在直接测频方法的基础上发展起来的等精度测频方法消除了计数所产生的误差,实现了宽频率范围内的高精度测量,但是它不能消除和降低标频所引入的误差。本文将介绍的系统采用相检宽带测频技术,不仅实现了对被测信号的同步,也实现了对标频信号的同步,大大消除了一般测频系统中的±1个字的计数误差,并且结合了现场可编程门阵列(FPGA),具有集成度高、高速和高可靠性的特点,使频率的测量范围可达到1Hz~2.4GHz,测频精度在 1s闸门下达到10-11数量级。

测频原理

本测频系统中采用的测频原理是相检宽带测频技术。在频率测量中,设标频信号为f0,被测信号为fX,则f0=A·fC,fX=B·fC,A、B是两个互素的正整数,称fC为f0和fX的最大公因子频率 fmax c,其倒数为两频率的最小公倍数周期Tmin c。如果这两个信号的周期稳定,它们之间的相位差变化也具有周期性,周期即为Tmin c。设两信号的初始相位差为0(即初始相位重合),则经过N·Tmin c(N为正整数)之后,它们的相位又会重合。因此,在一个或多个Tmin c内对被测信号fX和标频信号f0分别计数得NX和N0,则被测信号的频率可由式fX= f0·NX/ N0得出。在相位重合检测的测频电路中,测量的门时信号受单片机设置的参考门时以及被测信号和标频信号的相位重合点的共同控制,但实际测量闸门的开启与闭合同被测信号和标频信号的相位重合点同步,这样能够有效的消除传统测频方法中±1个字的误差。

硬件组成和功能框图

整个测频系统由多个功能模块组成,包括MCU数据处理、FPGA及其配置、高频分频、信号整形和液晶显示等,其中FPGA集合了相位重合点检测、同步闸门产生和定时计数等功能,主要硬件功能框图如图1所示。

FPGA频率测量系统_相检宽带测频技术_FPGA培训

本测频系统中FPGA芯片是采用ALTERA公司Cyclone系列的EP1C3T144,该器件采用TPFQ封装,拥有100个I/O口和2910个逻辑单元。本系统采用Verilog HDL和BlockDiagram/Schematic相结合的方法来对各功能模块进行逻辑描述,然后通过EDA开发平台,对设计文件自动地完成逻辑编译、逻辑化简、综合及优化、逻辑布局布线、逻辑仿真,最后对FPGA芯片进行编程,实现系统的设计要求。FPGA配置采用了专用配置芯片EPCS1,用ByteBlaster II对其进行下载编程。

MCU主要实现的功能有32位计数值的浮点转换及运算、预置闸门和将测量结果送至液晶显示。高频分频主要针对50MHz以上的频率测量,电路中采用分频比可编程的微波分频芯片MB510,最高工作频率达2.4GHz,它自带放大整形电路,输出为ECL电平,应用十分简单。整形电路前级采用了高速场效应管放大,所以对于被测信号的灵敏度很高,可达20mV左右,因此本系统对于电路板的设计要求是十分严格的。

FPGA的模拟仿真

本系统FPGA开发软件采用Altera公司开发的Quartus II 软件。

FPGA培训_相检宽带测频技术_FPGA频率测量系统

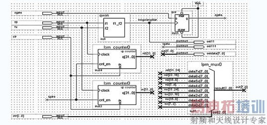
图2 FPGA中原理图设计

图2为FPGA整体原理图设计,其中标频f0和被测fX经过同相点检测模块qwen,产生的相位重合点信息见图3中的输出out11;sgate信号为MCU发出的预置闸门信号,与产生的同相点信号经D触发器模块形成了同步闸门tgate来控制f0和fX的计数,计数值经总线控制转换后传送给MCU。

FPGA频率测量系统_相检宽带测频技术_FPGA培训

图3中,采用的仿真标频f0为10MHz,fX为9.0001MHz,out11为相位重合点信息的输出,sgate为预置闸门,out111为同步闸门输出,也就是所谓的硬闸门。

FPGA培训_FPGA频率测量系统_相检宽带测频技术

通过如图4所示的模拟时序分析,我们可以看到,如果使用分立元器件,就不可能得到如此优越的延时特性。

PCB设计要点

在设计印制板的过程中,需要对电路的抗干扰问题进行详细的研究。对于检测电路,尤其是高精度测频系统,电源部分性能起着举足轻重的作用。电源一般由220V交流经变压、整流后获得,为防止引入交变干扰,我们对其进行屏蔽并加去耦电容处理。即使在整个印制板中的布线完成得都很好,由于电源、地线的考虑不周而引起的干扰也会使产品的性能下降,有时甚至影响到产品的成功率。所以对电源和地线的布线要认真对待,以保证产品的质量。尽量增加电源和地线的宽度,最好是地线比电源线宽。它们的宽度关系是:地线>电源线>信号线。每个集成电路电源处加一个去耦电容,每个电解电容边上都要加一个小的高频旁路电容。

本系统是由数字电路和模拟电路混合构成的。因此在布线时就需要考虑它们之间互相干扰的问题,特别是地线上的噪声干扰。数字电路的频率高,模拟电路的敏感度强,对信号线来说,高频的信号线应尽可能远离敏感的模拟电路器件;对地线来说,整个PCB对外界只有一个结点,所以必须在PCB内部进行处理数、模共地的问题,而在板内部数字地和模拟地实际上是分开的,只是在PCB与外界连接的接口处(如插头等),数字地与模拟地有一点短接。

MCU软件流程

本系统整体功能的实现,大部分由MCU完成。软件主要完成的功能是初始化后,程序判断硬件的预置闸门时间,选择被测的频率通道(高/低频);FPGA根据预置闸门产生同步闸门开启计数器,计数完成后给MCU送出完成信号,MCU开始分次读FPGA计数值存入内存单元,读完后通过浮点运算,计算出频率值送液晶显示。软件流程图如图5所示。

FPGA频率测量系统_相检宽带测频技术_FPGA培训

总 结

对本测频系统进行了大量统计性试验。选用西安电子科技大学信息处理研究所提供的高稳定度铷原子钟作为本系统的标频来测量Agilent 8662频率合成器的合成频率,测量结果如表1所示。

表1 实验结果

由于本系统采用了相检宽带测频技术,其测量精度达到了目前同领域的较高水平。但是,如果在每个频率计里都安放原子频标,产品自身的价格就会大幅度上涨,所以为了降低成本,使产品普及,采用高稳定度的SC切晶体振荡器替代原子频标,测量精度虽然有所下降,但是相对于同类产品仍有很大优势,同时价位也比较合理,所以拥有很大的市场竞争力。

由于测量频率的仪器功能一般都比较多,所以完善本产品的功能十分必要,可以添加测周、测相位差和与PC的通信等功能,使之向多功能化方向发展。


注明:本内容来源网络,不用于商业使用,禁止转载,如有侵权,请来信到邮箱:429562386ⓐqq.com 或联系本站客服处理,感谢配合!

上一篇:FPGA技术介绍及展望概述.ppt

下一篇:

用户登陆

    未注册用户登录后会自动为您创建账号

提交留言