当前位置:首页 > 新闻资讯 > FPGA之家动态 >

FPGA认清这五大原则,想学不好都难!

时间:2024-08-01      来源:网络搜集 关于我们 0

中国集成半导体人才存量46.1万人,人才缺口32万人,平均每年人才需求为10万人,但想入门半导体行业,学好HDL语言却并不太容易。

做好FPGA,入门半导体行业,需要从硬件的角度思考开发的过程,理解IDE工具工作背后的深层次含义,学习HDL不要一上手就写代码,切记盲目的使用浮点,随意的进行除法和开方等运算,这和FPGA本身的特性及硬件结构相关,时序分析也并不难,但一定要理解时序分析的本质原因,理解清楚这5条准则,其实用哪款FPGA都不会太难。

1、学习FPGA切记一开始就写代码,一写就是好多年!

FPGA作为典型的硬件开发过程,其难点在于FPGA硬件的深刻理解,优秀的FPGA工程师是基于数学模型+FPGA底层硬件的理解去优化代码,而不是根据算法,在不清楚FPGA硬件情况下直接用HDL进行描述,这里我们通过两款FPGA器件的DSP架构,和大家分享一下在数字信号处理过程中FPGA代码的优化过程。

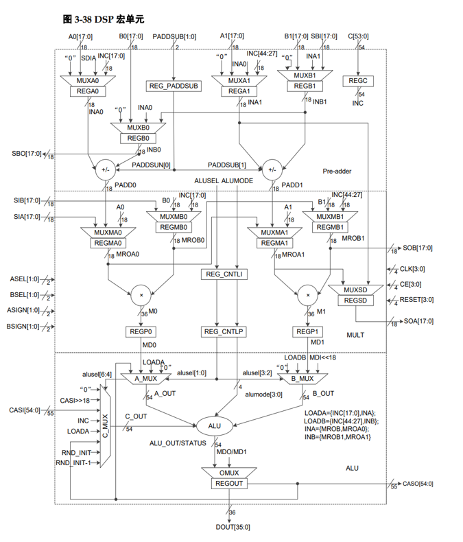
Gowin DSP资源

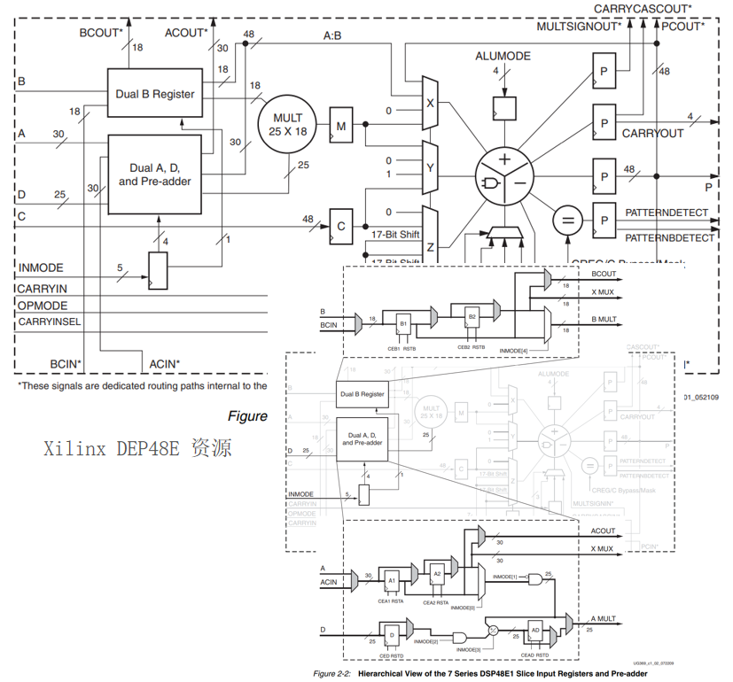
Xilinx DEP48E资源

2、需要深刻理解IDE工具的背后逻辑!

Xilinx第四代ASMBL FPGA底层架构

FPGA开发者通常的开发过程是写好代码,然后修改语法错误,按照工具的先后流程点击相关选项,下载代码,可是你是否思考过,所谓的综合,布局布线,物理约束,时序约束等背后深层次含义以及IDE相关参数设置对我们设计的影响。

3、不要盲目的浮点,开方,除法,指数运算!

在数字信号处理过程,我们通常建议用户先将浮点数据进行定点量化,碰到开方运算,我们通常建议是否可以简化成绝对值和平方再进行处理,尽量避免除法运算,那背后的逻辑又是什么呢?

Xilinx高效低成本Spartan-7 FPGA器件特征

4、时序约束和时序分析没有想象中的那么难!

周期约束,输入输出延迟约束,生成时钟约束,时钟应该走全局时钟网络,要进行多周期约束,设置伪路径这些时序约束中常用的技巧,是否都清楚背后的逻辑,这个部分想和大家一起探讨时序约束底层的逻辑。

时序分析必需的三条路径:源时钟、数据、目的时钟路径

5、如果你理解了底层,用任何一家FPGA原厂都差不多!

有一个有趣的统计:FPGA大部分的问题是由跨时钟域导致,如果你真正理解FPGA,进行FPGA代码的移植都不会太麻烦,而最终选择哪家的FPGA其实也就不太重要,因为万变不离其宗。

10月26日(下周一)晚上8点

,发烧友学院邀请到一位近10年FPGA开发经验Mill老师,来跟大家分享有关FPGA开发的五大误区见解。Mill老师的FPGA系列课,曾经创下了14000人在线听课记录,迄今为止FPGA实操训练营也成功举办了3期。

当天将直播首发“FPGA避坑指南分享”

,帮助千万位电子工程师避开FPGA的5大误区,避免踩坑,尽早利用FPGA在职场跃迁。

现在报名直播,即有机会与老师现场交流互动,更有学习优惠福利等待大家哦!

主讲嘉宾:Mill直播亮点:

1、学习FPGA切记一开始就写代码,一写就是好多年!

2、需要深刻理解IDE工具的背后逻辑!

3、不要盲目的浮点,开方,除法,指数运算!

4、时序约束和时序分析没有想象中的那么难!

5、如果你理解了底层,用任何一家FPGA原厂都差不多!

(敲敲剧透一下,当天直播有实时答疑,据说还会有 超低秒杀学习名额+红包福利

哟~)

如何报名本场直播呢?

长按下方二维码,加入FPGA直播福利群,即可免费报名!

Ps:进不了群可联系助教微信,手动邀请进群。助教甜甜:18118775427,助教马里奥:mlamla96


注明:本内容来源网络,不用于商业使用,禁止转载,如有侵权,请来信到邮箱:429562386ⓐqq.com 或联系本站客服处理,感谢配合!

用户登陆

    未注册用户登录后会自动为您创建账号

提交留言