当前位置:首页 > 新闻资讯 > FPGA之家动态 >

硬件杂谈(二)硬件工程师的学习规划和 基于microblaze软核的FPGA的硬件知识讲解

时间:2024-07-31      来源:网络搜集 关于我们 0

硬件工程师的学习规划和

基于microblaze软核的FPGA的硬件知识讲解       

        大家好,好久不见了。最近把手头上的项目完成,一下子就4个月过去,2018都到年底了,祝大家抢票成功。

        大家在交流的时候经常会问到一些问题,有时候可能打字不是讲得那么详细。这里专门录制了视频,结合自己的学习经验,谈谈我对提高学习硬件效率的看法。10年来,我做的项目的都有做笔记的习惯,记录在本子上只能自己看。后面做的项目尽量将对大家有用的硬件相关的知识录成视频分享。另外由于工作的关系,不能全部和详细,略表歉意

        软件和逻辑讲得比较基础,主要是让大家扩展思路,不要局限于硬件,大家觉得有用就参考下。有些朋友是逻辑和软件的高手,有时间也可一起分享下。感谢各位朋友与同事的支持和帮助,学无止境,携手共进。

        文章末尾是硬件杂谈(二)高清视频(约2.5小时)和相关资料下载,有兴趣可以去看看。 

1.学习规划与方法

1.1硬件工程师的学习规划

1)原理图和仿真工具:掌握软件使用方法和高级技巧。6个月。

2)方案和原理图设计: 和产品有关系,产品越复杂,你需要掌握的电路知识越多。SOC电源,模拟运放这些必须掌握。产品各式各样,但万变不离其中。3-5年内可以根据需求就可以设计方案和原理图。

3)Pcb设计和仿真工具: 掌握使用方法和高级技巧。6个月。

4)Pcb设计: 和产品有关系,产品越复杂,你需要掌握的电路知识越多。高速信号,模拟数混合电路,电源电路等必须掌握。其实原理懂了,PCB设计也就懂了,重点还是在原理上搞清楚。2年

5)仪器使用:示波器,信号发生器,频谱分析仪,网络分析仪。掌握其原理,使用方法和误差精度。公司资源决定。

6)Fpga设计: 建议必学,掌握verilog语法和fpga设计思想。因为fpga可以说是soc或asic流片的前身,和硬件设计息息相关。而且价格便宜,可操作性强。1年

7)结构设计: AUTOCAD等软件简单使用。1个月

8)嵌入式软件设计: 能够编写代码实现功能。如果不是专门做软件,不要花太多的时间在算法上。1年 

9)嵌入式操作系统原理:通用主流和开源的操作系统的基本原理和应用,比如freertos。6个月。

1.2问题交流

1)追求较好的职业发展前景,较高的工资和技术水平。多站在巨人的肩膀上。

2)每个行业都有从事人员的素质和要求,但不是绝对,也有很多特例的存在。如果你想成为普遍性可能很容易,但如果想成为特例,需要付出更多努力。人生道路都是自己选择,所以你们自己看着办。

3)大部分人在花3-4年功夫,在硬件设计上拿80分不是难事。但要拿到90分,可能再花3年。如果花3年业余时间学软件/逻辑/结构/可以在另一领域拿70分。那就有了90和80+70=150分的差距。但是90分并不一定比150分差。两者要发挥最大作用在于企业是否需要哪种人,最好还是一专多通。

4)分主次:人脑是单线程的,同一时间只能做一件事且学习的内容一辈子也学不完,要分轻重缓急。所以首先学现在要用的(重要紧急),其次是有潜力将来要用的(重要不紧急),再次才是辅助的(不重要不紧急)。

5)找工作不是你有什么能力就去做什么,而是你有什么基础,你能够去做什么。

1.3学习的步骤-系统性学习

1)基础理论书:模电,数电,微波理论等。大学课件都是非常经典的。

2)工具软件使用说明书:生产力工具,你赚钱的工具。通过这种书你可以系统性的了解工具的使用。软件自带的说明有时候会更好,但英文描述居多,要先理解好基本专业词汇。

3)高级技巧书:前辈们的总结,重点的提取。站在巨人的肩膀上,可以节省很多时间,水平提升必看。

4)行业标准:芯片级,产品级,国标。判断你设计水平的唯一标准。指标是非常多,要学会挑重要的看。重要就是容易出问题的指标。

5)设计规范文件:非技术性的规范要统一,养成良好习惯。技术性的规范,新手可以参考设计。后面应该从理论分析,软件仿真得到量化,形成自己的经验。

6)问题案例分析书:不要花太多的时间,别人的bug自己没调试印象不会太深。

1.4学习总结

1)系统化学习,切忌碎片化学习。顺序,顺序,顺序。一两天学会的技术都是给小孩玩的,一两年都学不会要注意下自己的学习方法。

2)参考大公司的设计例子,不要闭门造车。(不是牛人是大公司)

3)自信和谦虚的人是受欢迎的,表达的时候要根据受众对象将你的能力完全提现出来。

4)专注,多做笔记多总结。多用word,PPT,VISIO,EXCEL等工具。

5)搜索引擎能解决90%的问题,但其实99%的问题在书上都能解决。

6)能动手的东西就别只动嘴,Just do it。

7)以上纯属个人观点,如有雷同,纯属巧合。

        2基于microblaze软核的FPGA的硬件知识介绍     

微信公众号只能贴3个视频,还有一个视频没法帖,有兴趣的朋友可以去腾讯视频看或直接云盘下载。

2.1比特币与FPGA

 注意:不是让大家去玩比特币,我们是研究技术,不是当韭菜。

https://www.8btc.com/wiki/bitcoin-a-peer-to-peer-electronic-cash-system

比特币白皮书:一种点对点的电子现金系统(中本聪论文的翻译版)

哈希算法:散列算法,把任意长度的输入,通过散列算法,变换成固定长度的输出。安全散列算法(SHA)是一个密码散列函数家族,包括SHA-1、SHA-224、SHA-256、SHA-384,和SHA-512。

https://www.iqiyi.com/v_19rr1bvqbk.html#curid=1119809900_a25cedbd460aed74ca861b5db384059d  

千峰区块链

矿机进化:CPU-GPU-FPGA/GPU-ASIC/GPU

Nivida : CUDA基本运算

https://wenku.baidu.com/view/d00677c94128915f804d2b160b4e767f5acf8019.html?from=search

FPGA芯片主 要由可编程输入输出单元、基本可编程逻辑单元,布线资源构成。

逻辑门电路与LUT

2.2软件和乘法器的乘法计算

以50000*5000为例,需要上百个时钟周期。

50000*5000为例,只需一个周期。

乘法器结构图

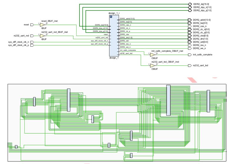
2.3microblaze和DDR2的 blockdesign

microblaze连接AXI总线的各种IP,很方便实现对各种器件的操作。

2.4设计代码

blockdesign的原理图VIVADO自动生成VHDL。

module design_1

   (DDR2_addr,

    DDR2_ba,

    DDR2_cas_n,

    DDR2_ck_n,

    DDR2_ck_p,

    DDR2_cke,

    DDR2_dm,

    DDR2_dq,

    DDR2_dqs_n,

    DDR2_dqs_p,

    DDR2_odt,

    DDR2_ras_n,

    DDR2_we_n,

    init_calib_complete,

    reset,

    rs232_uart_rxd,

    rs232_uart_txd,

    sys_diff_clock_clk_n,

    sys_diff_clock_clk_p);

2.5综合后的原理图

编译得到门级网表之后映射到LUT中,形成门级电路。

时序约束

2.6管脚分配

分配管脚,管脚电平标准,驱动能力,上下拉等操作。

2.7布局布线后的版图

lut

布线

IOB

2.8仿真

2.9软件设计

2.9.1硬件平台

每个外设都映射到一块地址区间上。

2.9.2Bsp文件

软件根据IP自动生成的配置文件,库文件,例子文件等。

2.9.3软件代码编写

理清函数,指针的概念和用法。

#include <stdio.h>

#include "platform.h"

#include "xil_printf.h"

#include"xil_io.h"

int main()

{

    init_platform();

int a,b,c;

a=50000;

b=50000;

Xil_Out32(XPAR_BRAM_0_BASEADDR, 0x55555555);

        c=a*b;

Xil_Out32(XPAR_BRAM_0_BASEADDR, c);

        cleanup_platform();

        return 0;

}

       3.下载链接      

   攒点人气,有兴趣的朋友请转发微信朋友圈后直接去下载。工程师们都很诚信,不用Q我,多谢大家。

云盘下载链接:https://pan.baidu.com/s/1-NOziAta1GwIx5517oSEBA 

云盘提取码:o4mf 。里面VIVADO2017的压缩包密码是:0daydown。

云盘内容:高清版视频,VIVADO2017.1软件,microblaze例子,阿瓦隆矿机PCB和硬件杂谈(2)电子档。

专注硬件工程师的技术和职场分享


注明:本内容来源网络,不用于商业使用,禁止转载,如有侵权,请来信到邮箱:429562386ⓐqq.com 或联系本站客服处理,感谢配合!

用户登陆

    未注册用户登录后会自动为您创建账号

提交留言